法蘭式大口徑軟管固定頭可開式V型三通塑料電纜防水接頭
分類:塑料電纜防水接頭
型號:SSFC
品牌:ATR
產地:寧波市奉化區
廠家:奉化市安泰爾電器有限公司
產品詳情
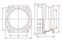
SSFC系列 法蘭式大口徑軟管接頭
產品概述
本產品的保護等級為IP54,由PA6材料制作,其溫度工作范圍為-40℃~105℃,短時間加熱到150℃,顏色分為黑色和灰白色。超大的電纜外徑可以讓其使用起來更加方便,采用軟管型固定頭,因此他又被簡稱為大口徑法蘭式軟管固定頭。
結構圖

技術參數
| 訂貨編號 | 適合軟管 | A(mm) | B(mm) | C(mm) | D(mm) | φE(mm) | φF(mm) | G(mm) | 安裝螺釘(mm) |
| SSFC-AD67 | AD67.2 | 94 | 80.0 | 53.0 | 69 | 83 | 52 | 52 | M6 |
| SSFC-AD80 | AD80.0 | 110 | 94.0 | 60.0 | 80 | 96 | 68 | 60 | M6 |
SSVG系列 可開示V型三通接頭
產品概述
材料:尼龍6
溫度范圍:-40℃ ~105℃
防塵等級:IP40
顏色:黑(B)
特點:拆裝方便,價格實惠
結構圖

技術參數
SSVG系列 可開示V型三通接頭
| 訂貨編號 | 適配軟管規格 | A | B | 包裝數量 | |||||
| SSVG-131313 | AD13/13/13 | 55 | 37.3 | 50 | |||||
| SSVG-161313 | AD15.8/13/13 | 55.6 | 41.3 | 50 | |||||
| SSVG-161613 | AD15.8/15.8/13 | 55.6 | 41.5 | 50 | |||||
| SSVG-211313 | AD21.2/13/13 | 43.5 | 39.5 | 50 | |||||
| SSVG-211613 | AD21.2/15.8/13 | 48.7 | 37.2 | 50 | |||||
| SSVG-211616 | AD21.2/15.8/15.8 | 59.2 | 46 | 50 | |||||
| SSVG-211613 | AD21.2/15.8/13 | 59.2 | 46 | 25 | |||||
| SSVG-212116 | AD21.2/21.2/15.8 | 63.5 | 47.5 | 25 | |||||
| SSVG-282113 | AD28.5/21.2/13 | 54.5 | 52 | 20 | |||||
| SSVG-282116 | AD28.5/21.2/15.8 | 55.2 | 51.7 | 20 | |||||
| SSVG-282116 | AD28.5/21.2/15.8 | 55.2 | 51.7 | 20 | |||||
| SSVG-282813 | AD28.5/28.5/13 | 68.5 | 57.7 | 20 | |||||
| SSVG-282821 | AD28.5/28.5/21.2 | 78 | 61.5 | 20 | |||||
| SSVG-342828 | AD34.5/28.5/28.5 | 88.4 | 67.4 | 20 | |||||

